Software para colorímetros y espectrofotómetros • Konica-Minolta • SpectraMagix NX

PRODUCTO DISCONTINUADO.
Quizás te pueda interesar

SpectraMagix NX

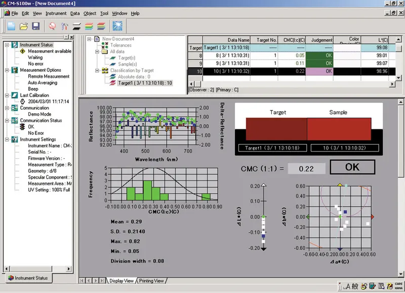
Usado en conjunto con los espectrofotómetros y colorímetros de Konica Minolta Sensing, el Spectramagic NX es un programa de software diseñado para almacenar resultados de medición de color y brindar un análisis más detallado del color de una muestra.

Este programa versátil permite a los usuarios almacenar fácilmente y encontrar datos de mediciones y valores de color, identificar precisamente inconsistencias de color a través de reportes de evaluación de fácil lectura y gráficos detallados, y efectivamente evaluar el color y apariencia de muestras a través de un proceso más comprehensivo y sofisticado. Sus características avanzadas hacen que sea ideal para análisis de investigación y desarrollo, inspecciones de control de calidad y normas y procedimientos.

El SpectraMagic está disponible en la versión Pro para aplicaciones que requieren análisis de funciones más avanzados y versión Lite de uso básico. Ambas versiones son compatibles con los espectrofotómetros y algunos colorímetros, brindando a los usuarios un sistema completo para solución de la calidad de color.

×

Debe escribir el nombre completo

Debe escribir el nombre de la institución

Debe escribir una dirección de email

Debe escribir un teléfono